Tulisan sambil nunggu solder panas 🙂
Kata orang, sejatinya SDR tidak pakai XTAL, translasi IF (Intermediate Frequency), dan tetek bengek. SDR mesti direct conversion, mixer Quadrature I/Q langsung ke ADC (Analog to Digital Conversion) trus ke blok DSP (Digital Signal Processing). Dua terakhir diatasi soundcard PC plus software SDR. Apakah benar demikian?
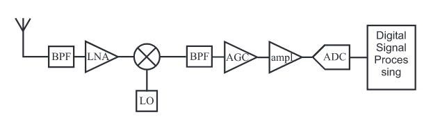
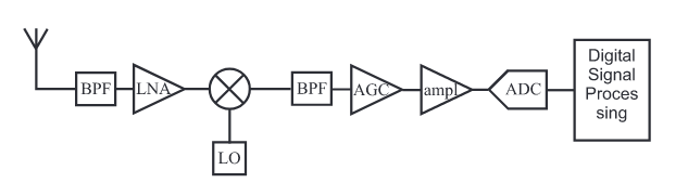
Lha kalau dongle RTL-SDR yang populer ada translasi ke IF apa masih disebut SDR? Lihat ada blok IF FILTER, LO, dan frequency SIN dan COS (beda fase 90 derajat). Semua signal yang masuk entah 144MHz atau 433MHz, atau xyz akan diturunkan ke sekitar 28,8MHz. ADC diatasi oleh chip ADC pada RTL-SDR bukan oleh ADC pada soundcard.
Tanpa translasi ke IF, RTL-SDR tidak mungkin berharga murah dengan jangkauan kerja sampai orde GHz. RTL-SDR akan butuh komponen front end yang punya spek sampai GHz. Spek komponen dibelakangnya juga ikut bapaknya. Komponen orde GHz berharga mahal. Cukup buat ngopi di warkop setahun penuh lol.

HackRF One, perangkat yang levelnya diatas RTL-SDR performanya, juga bukan direct conversion. Tapi melakukan strategi translasi juga. Perangkat ini pakai dual conversion dengan IF 2,3GHz-2,7GHz. Perangkat ini bisa sampai 5-6GHz. Chip frontend dari HackRF One adalah RFFC5071.
Tidak semua transistor/mosfet umum mampu bekerja di frekuensi ini. Kalau orde 100MHz mungkin iya. Coba kalau 2,4GHz. Banyak komponen umum dipasaran sudah angkat tangan. Sebagai perbandingan, NE602 misalnya, mixer ini mentok di 500MHz. MC1350 maksimum 200MHz, dan TA7061 yang murah meriah maksimum 20MHz.
Kembali ke istilah SDR. Apa yang membuat satu perangkat disebut SDR? Lagian, sampai sejauh mana software menggantikan hardware? Dalam kasus ini, GNU Radio adalah the real SDR hahahha. Mulai dari filter,mixer, sampai manipulasi signal bisa dilakukan oleh GNU Radio.
Kasus yang menarik adalah sBITX dengan slogan “An open source SDR that you can hack” dari VU2ESE. Satu perangkat uBITX dimodifikasi dan dikoneksi WM8731 chip codec plus Raspberry Pi agar jadi SDR. Lhaa. Maka muncul istilah hybrid. Gabungan antara teknologi lawas superhet dengan DSP.

Bagaimana kalau SDR tanpa mixer sekalian? Langsung sampling oleh ADC? Direct sampling saya prediksi menjadi arsitektur masa depan :). Cuma saat ini, ADC khusus RF berharga mahal. Untuk jangkauan frekuensi HF 0-30MHz, maka ADC mesti mampu melakukan sampling minimal 2x frekuensi tertinggi. Misal ADC RF dengan sampling 80Mb/s. Idealnya, frekuensi dari atas sampai bawah dalam rentang HF bisa ditampilkan. Pertanyaanya, apakah DSP yang mengolah mampu?
Tentu Anda tidak dapat menggunakan ADC dalam mikrokontroler macam ATMEGA328 (yang biasa untuk sampling sensor suhu LM35 misalnya hehe). Kalau untuk sampling suara masih oke, karena jangkauan masih orde Kilo Hertz.
Perangkat macam uSDX adalah direct conversion (bukan direct sampling) dan output yang masuk ke ADC board Arduino adalah frekuensi dengan bandwidth terbatas. Datasheet mengatakan maksimum sampling ADC ATMEGA328 = 15KsPS. Berarti bandwidth maksimum 1/2 x 15KsPS. Sekitar 7,5KHz. Kalau dipaksa tampil di grafik waterfall, maka hanya Paijo yang omong sama Inem di frekuensi 7007KHz dan Sarimin yang nagih utang Parmin di frekuensi 7015KHz. Hanya ada 2 air terjun saja dalam jarak 7,5KHz. Yang lain tidak kelihatan.

USDX mungkin lebih SDR dari QCX dari QRP-Lab punya Hans Summer. Pembalikan phase audio dilakukan oleh Software tanpa pakai Op-Amp. Manipulasi signal (audio) dilakukan oleh chip ATMEGA328. Termasuk output beda fasa 90 derajat dari Si5351 dilakukan secara software pula. Tanpa Flip-flop dan menaikkan frekuensi segala pada input mixer. Output Tx juga pakai kelas E yang sebelumnya diproses ala digital. Ibarat jeruk, chip ATMEGA328 diperas habis-habisan.

Dari sisi arsirektur SDR, jika software mendominasi, maka hardware adalah minim. Maka dalam hal ini, arsitektur direct sampling adalah pemenangnya hehe. Tanpa mixer, tanpa IF, tanpa tetek bengek. Langsung sampling, langsung proses oleh DSP (yang dikontrol oleh software). Mau bandwidth filter lebar seberapa, mau main di frekuensi atas atau bawah, mau SSB atau CW atau FM, mau begini atau begitu dilakukan semua oleh software lewat DSP dan kontroler.
Omong-omong, topik front end direct sampling ini seperti asap solder. Lha asapnya keliaran ke awang-awang karena tidak punya komponennya hahaha. Kalaupun ada, bagi homebrewer miskin akan susah berkomitmen. Sekali jebol tamat sudah. Lebih baik mengerjakan apa yang bisa dikerjakan. Apa yang terjangkau dan murah meriah.
____________________________
Kalau ingin lihat bahasan ilmiah soal front end 🙂
Blok Diagram RTL-SDR :

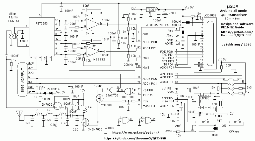
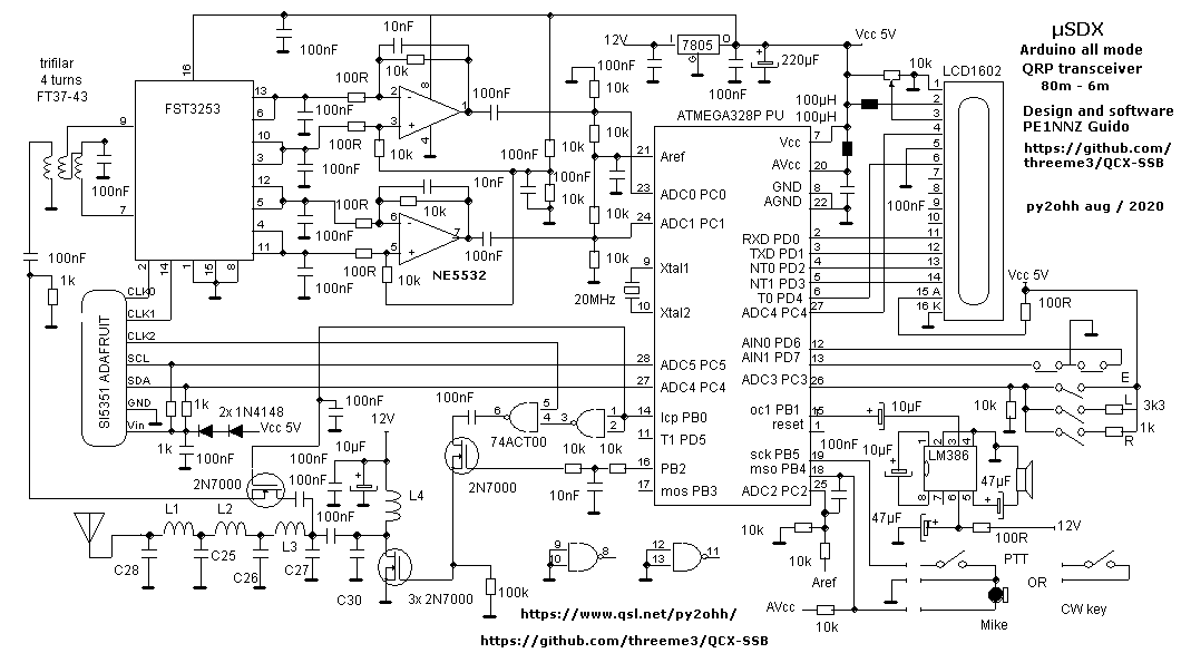
Skema dari QCX untuk dibandingkan dengan uSDX dari sisi hardware.
