Sekedar nulis, tapi semoga berguna…
Arsitektur RX Heterodyne adalah pemegang kekuasaan defacto sampai saat ini. Tahta ini sudah digoyang oleh arsitektur direct conversion, dan sang bayi yang nongol terakhir… arsitektur direct sampling sudah mulai berlari lol.
Direct Conversion
Jika satu sistem RX pada mixer tidak dilakukan konversi ke IF (Intermediate Frequency) tapi langsung dikonversi sesuai frekuensi LO (Local oscillator), ini direct conversion.
Contoh: ingin dengar frekuensi 40m band 7.000KHz yang ramai. Maka LO diset 7.000KHz langsung (atau geser sedikit saja). Output mixer = 0Hz. Maka sering disebut zero IF. Hasil perkalian 7.000KHz dengan 7.000 KHz =7.000KHz.+/-7.000KHz= 14.000KHz dan 0Hz.
Tidak perlu lagi filter untuk bagian IF, macam xtal. Biasanya pusing urusan ladder xtal, di arsitektur ini tidak diperlukan.
Mixer untuk direct conversion bisa pakai DBM yang klasik, chip macam AN612, FST3253, bahkan rangkaian mosfet bisa dipakai untuk mixer.
Biasanya, direct conversion yang memakai H-mode mixer / Tayloe / quadrature mixer banyak berurusan dengan SDR. Supaya menghasilkan signal I/Q dengan mudah.

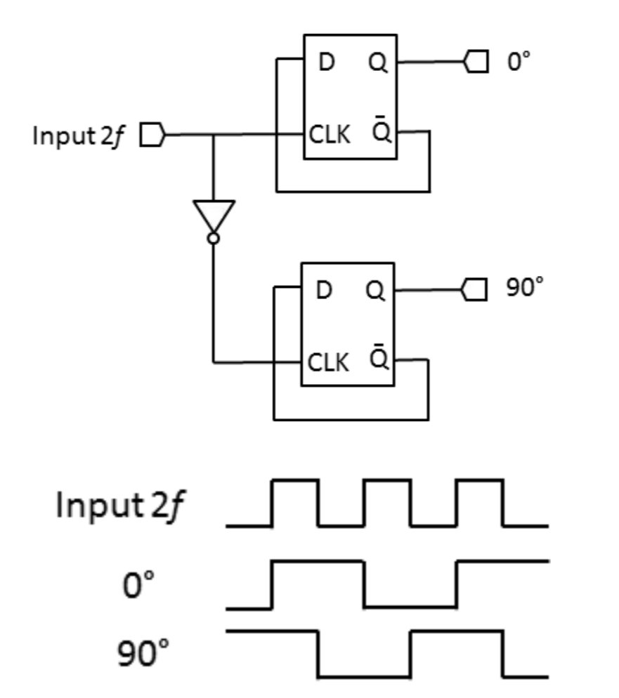
Penggunaan D flip-flop & inverter sudah mengatasi untuk urusan phase. Dengan konsekuensi frekuensi LO x 2.
Signal I/Q yang berbeda phase 90 derajat ini bukan signal RF yang sama, misal I terus digeser 90 derajat jadi Q. Tapi signal RF yang sama, tapi disampling sendiri-sendiri dengan beda phase 90 derajat saat sampling. Hasilnya signal I/Q.
Jika malas mengubah phase secara hardware, ubah secara software pada PC dengan “Hilbert Transform”. Pada GNU Radio, hal semacam ini mudah disimulasikan.
Trus apa kelebihan direct conversion? Rangkaian lebih sederhana! Filter bisa diolah oleh Op-Amp atau ala DSP (Digital Signal Processing) oleh komputer. Filter analog tidak akan se presisi filter digital. Tapi filter analog menang speed! Pemrosesan cepat tetap butuh hardware.
Direct conversion punya resiko pengaruh lingkungan sekitar yang tembus jika filter kurang baik. LO ouput Si5351 bocor memancar , terus kembali lagi ikut ke mixer hummm. Distorsi harmonis yang berkeliaran dalam band juga membayang.
SDR (Software Defined Radio) kebanyakan menggunakan arsitektur direct conversion. Urusan filter dikerjakan software ala DSP. Penghematan untuk hardware.
Direct Sampling
Kalau semua signal dimakan sekali kunyah, ini direct sampling. Bayangkan pergi kondangan terus record audio. Ada suara penyanyi yang dominan, suara band & gitar, suara anak kecil menangis karena permennya hilang…semua suara masuk jadi satu.
Tanpa mixer, langsung sampling adalah tanggung jawab ADC (Analog to Digital Converter). Chip ADC yang masih terjangkau kantong : AD9866. ADC 12 Bit ini punya kemampuan sampling 80MS/S. Lebih dari cukup untuk bekerja direntang frekuensi 0 – 30MHz…. sekali caplok.

Data yang dihasilkan ADC ini : 12 x 80.000.000= 960.000.000 Bit/S. Data yang sangat besar!
Sekedar bayangan :). Kalau digunakan port paralel 6 Bit macam Arduino untuk membaca data 6 Bit Rx dari ADC, perlu 960.000.000/6= 160.000.000 x read port hehehe. Apakah mampu tiap detik membaca lengkap semua bit?
Lha xtall yang nancap di board saja 16MHz. Padahal urusan port minta jatah 160MHz minimal. Belum setiap instruksi program juga makan waktu.
Jika data ini mengalir terus tanpa filter, tanpa seleksi, kebanyakan hardware/software standar akan dedel duel. Biasanya diumpankan ke FPGA dengan penulisan program pakai VHDL/Verilog untuk melakukan proses lebih lanjut.
Direct sampling menghemat banyak hadware. Tidak perlu mixer juga, yang penting caplok…caplok…dan caplok hehe. Untuk clock hanya ADC yang memerlukan.
Masa depan rasanya ada di arsitektur direct sampling. Kenapa? Untuk ukuran, berat, dan power yang dibutuhkan rangkaian jadi sebuah sistem radio ini paling minim (juga paling mahal saat ini ;).
Heterodyne
Contoh TRX heterodyne populer adalah BITX. BITX bukan ber-arsitektur direct conversion atau direct sampling, tapi heterodyne. Yach karena pada mixer, frekuensi diturunkan/dinaikkan dulu. Istilahnya ditranslasi dulu ke frekuensi yang diinginkan.
Jika frekuensi 7.000KHz adalah target, maka pada mixer akan dikali dengan frekuensi X misalnya. Jika pengali saya X=5000KHz, maka hasil dari mixer adalah 7.000KHz + 5.000KHz = 12.000KHz dan 7.000KHz – 5.000KHz = 2.000KHz.
Makanya, pada BITX setelah mixer dipasang filter Xtall 12MHz (dalam kasus di atas) agar sesuai dengan hasil translasi. Lhaa kalau hanya punya xtall 17MHz? Kalikan mixer dengan X= 10MHz hehe. Kalau punya xtall 6MHz? Kalikan mixer dengan X=1MHz atau X=8MHz.
Tujuan translasi membawa ke “lingkungan baru” dari frekuensi target. Lingkungan yang pas bagi filter untuk kerja optimal.
Bayangkan klub sepak bola dengan mess dan stadion di kota besar dekat mall. Tempat hiburan di mana-mana. Banyak godaan para pemain… abis senggolan dilapangan, malam senggolan di pasar senggol hehe.
Satu saat diputuskan untuk pindah mess dan stadion di daerah pegunungan yang sepi dan sejuk. Tujuan : Agar lebih konsentrasi latihan!
Alasan lain, translasi adalah urusan teknis 🙂 mengolah frekuensi 12MHz misalnya lebih mudah dari frekuensi 234MHz. Yach karena tidak semua transistor mampu. Apalagi di laci komponen cuma punya xtal 12MHz lol.
Alasan lain, berhadapan langsung dengan signal atau customer yang marah-marah itu menakutkan…hadapkan dulu dengan pihak sekuriti, terus customer service yang sabar , terus baru diri Anda.
Kesimpulan :
Mana yang terbaik dari ketiga arsitektur di atas?
Pacar eh teknologi / arsitektur yang terbaik adalah yang bisa memenuhi kebutuhan. Terjangkau, dan mudah direalisasikan juga.
Jika komputer di rumah saja jadi rebutan, lebih baik bikin model heterodyne BITX. Atau direct conversion tanpa PC.
Jika sedang berada di laboratorium untuk desain phase array radar, plus sokongan dana berlimpah (bisa buat borong tahu goreng 1 rombong), pilih direct sampling.
Jika sedang penelitian/skripsi/thesis, pilih direct sampling.