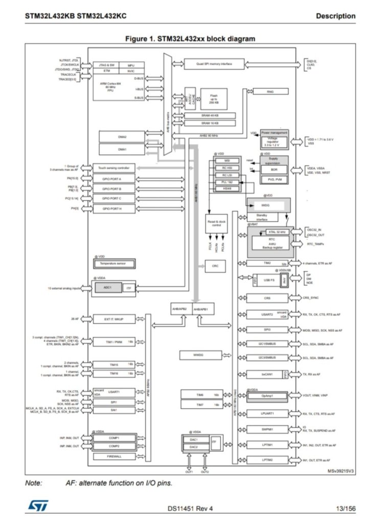
Satu development board “jaman jadul” yang masih tetap relevan sampai saat ini. Board ini dimotori oleh STM32L432KC yang rendah hati. Clock speed maksimum hanya 80MHz. Memang untuk “state of the art” urusan performa, saat ini dipegang kelas STM32H7xx yang bisa dipacu sampai 480MHz.

Mikrokontroler kelas L4 memang kalah segalanya dengan kelas H7 kecuali urusan hemat daya hehehe. Coba kita bandingkan blok diagram 2 kelas tersebut.


Jika Anda menyukai sesuatu yang kompleks, pilih kelas H7. Kadang namanya iseng, tidak apa kok untuk membunuh seekor lalat pun pake rudal Zircon.